Akce
Aktuálně
PF 2026
Barvy Delta v novém kabátě – představujeme moderní obaly a názvy
AquaClarus – Filtrační systém pro vířivky a malé bazény
Často hledané výrazy
Bavorov
Víkendová srubová dřevostavba jako je dřevěná chata, chalupa či menší chatka nabízí rodinnou rekreaci nejen o víkendu, ale i v době sezónních dovolených. Různé provedení tloušťky stěn, půdorysů umožňuje výběr srubové chaty přímo dle Vašich představ.
Nepřehlédněte alternativy: obytné podkroví, dřevěná terasa nebo přístavek.
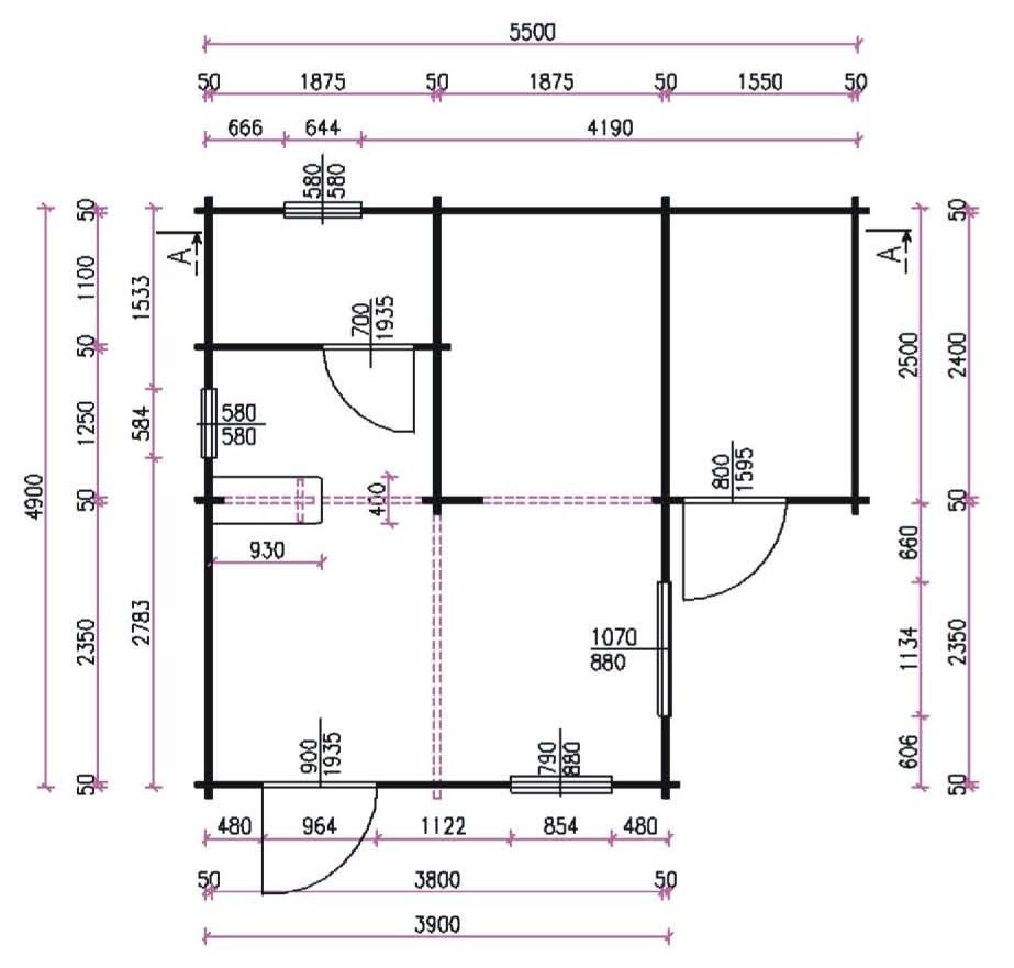
Varianta A
Víkendový srub bez přístavku
- standardní půdorys 3,9 x 4,9 m
- střecha symetrická
- 2 místnosti
- hlavní místnost segmentovaná barem
- 3 okna
- dvoje dveře
- možnost obytného podkroví a terasy
Půdorys dřevostavby

Tabulka základních cen dřevostavby
| Tloušťka stěny | Podkroví | Cena |
| 33 mm | ne | 172 300 Kč |
| 33 mm | ano | 232 200 Kč |
| 50 mm | ne | 206 000 Kč |
| 50 mm | ano | 284 300 Kč |
| 70 mm | ano | 331 700 Kč |
Uvedené ceny jsou vč. 20 % DPH, dopravy a montáže.
Pokud je dřevostavba vnímána jako stavba doplňková ke stavbě hlavní, fakturujeme ve snížené sazdě DPH.
Varianta B
Víkendový srub s přístavkem
- standardní půdorys 3,9 x 4,9 m + přístavek 1,6 x 2,5 m
- střecha symetrická
- 3 místnosti
- hlavní místnost segmentovaná barem
- 3 okna
- troje dveře
- dřevěný srub s přístavkem
- možnost obytného podkroví a terasy
Půdorys dřevostavby

Tabulka základních cen dřevostavby
| Tloušťka stěny | Podkroví | Cena |
| 33 mm | ne | 201 300 Kč |
| 50 mm | ne | 247 500 Kč |
| 50 mm | ano | 302 400 Kč |
| 70 mm | ano | 343 300 Kč |
Uvedené ceny jsou vč. 20 % DPH, dopravy a montáže.
Pokud je dřevostavba vnímána jako stavba doplňková ke stavbě hlavní, fakturujeme ve snížené sazdě DPH.
Cena: 172300 Kč
| Název | Velikost |
| 8 MB |













